
| Capacities | |
| Maximum Torque | 20.0 ft·lbs (240.0 in·lbs) [2.8kg-m] [27N-m] per linear inch of leaf with a maximum of 150.0 ft·lbs (1,800.0 in·lbs) [20.7kg-m] [203N-m] |
| Maximum Load | 25# [9kg] per linear inch of leaf with a maximum of 140# [64kg] with appropriate sized mounting flange thickness and number of bolts. |
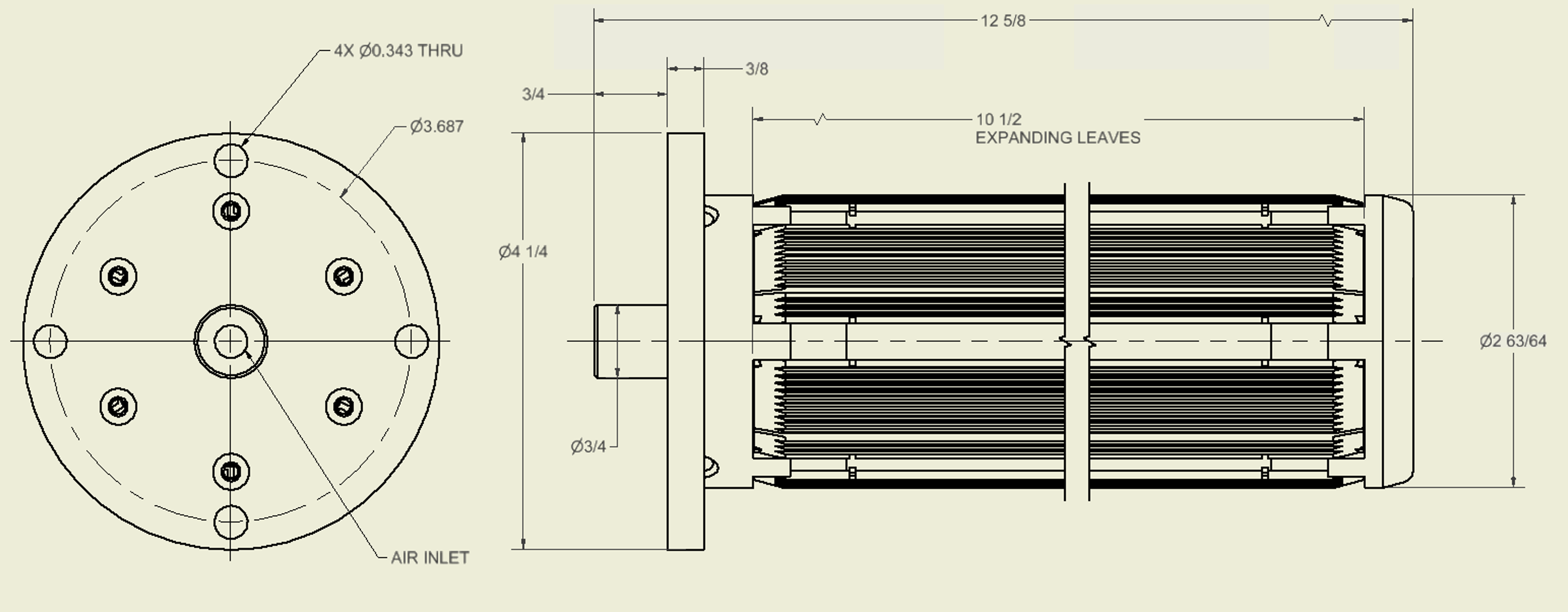
| Expanded Diameter (G) | 3.093" (3-3/32") [78.56mm] |
| Contracted Diameter (F) | 2.985" (2-63/64") [75.82mm] |
| Dimensions | |
| Moment of Inertia | Assume uniform density of steel |
| Drawing | Available - please contact us. |
| 3D Model | Available - please contact us. |
| Minimum Leaf Length | 0.500" (1/2") [12.70mm] |
| Maximum Leaf Length | 20.000" (20") [508.00mm] |
| Features | |
| Material | Aluminum, Bare and Black oxide steel, Stainless steel and rubber |
| Corrosion Resistance | Mildly corrosion resistant in dry environments |
| Installation | |
| Operating Air Pressure | 80 psi [5.5 bar] +/- 5 psi [0.3 bar] |
| Air Type | Filtered, Regulated, Non-Lubricated |
| Support | |
| Phone and email Support | |
| Warranty | |
| Condition | |
| Product Condition | |
Flange Mounted Air Shaft MD Leaf type (Q-4454 Propheteer 1000 )
-
Categories:
- Pre-Configured
- Part #: 502224
- Availability: Ships in 4 - 6 weeks from our factory in Fairfield, NJ USA
-
$751.74 Each

