A A A spring-applied fail safe brake for dry-running, which can be used for both holding and dynamic applications. All types of Fail-Safe brakes therefore are offered with pneumatic released but emergency release by means of manual lever or integrated screws. Furthermore the amount of maintenance required for both the compressed air supply system and for the pneumatic brakes is small.
Torque Formula :
Braking Torque (kgm) =Braking Force (kg) x Effective Disc Radius (Actual)(mm)
Braking Torque (kgm) =Braking Force (kg) x Effective Disc Radius (Actual)(mm)
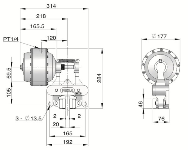
| Model | DSH 205 |
| DISC THICKNESS | 20 MM |
| MAX AIR PRESSURE kg/cm² | 7 |
| DISC OD MM | 260↑ |
| WEIGHT | 19 KGS |
Torque versus Pressure

| Support | |
| Phone and email Support | |
| Warranty | |
| Condition | |
| Product Condition | |
Air Disc Brake for 20mm Thick Disc DSH-205-R (Right) (Niika)
-
Categories:
- For 20mm Thick Disc
- Part #: 502386
- Availability: Ships in 2 - 4 weeks from our factory in Fairfield, NJ USA
-
$1,137.60 Each

